Tmteck GS series Test Block Ultrasonic calibration block 7 pcs one set
Specifications:
NB/T47013.3-2015
Calibration Function:
GS Series Calibration Block is used for ultrasonic testing of circumferentially butt joints (type II welded joints) for pipes (applicable OD range 20-500mm).
|
MODEL |
TEST BLOCK ARC
RADIUS OF CURVATURE |
PIPE OD RANGE |
TEST BLOCK ARC
RADIUS OF CURVATURE |
PIPE OD RANGE |
| R1 | R2 | |||
| GS‐0 | 11.5 | 20~26 | 14.5 | 26~32 |
| GS‐ 1 | 18 | 32~40 | 22 | 40~48 |
| GS‐ 2 | 26 | 48~57 | 32 | 57~72 |
| GS‐ 3 | 40 | 72~90 | 50 | 91~110 |
| GS‐4 | 60 | 110~132 | 72 | 132`159 |
| GS‐5 | 84 | 150~250 | 110 | 200~325 |
| GS‐ 6 | 163 | 300~487 | FLAT | ≥500 |


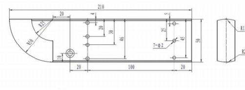
GS0-4

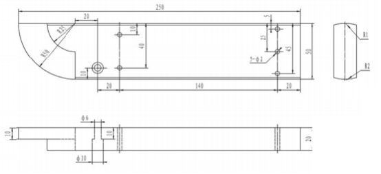
GS5-6
Write your message here and send it to us














