Top Suppliers Stepped Wedge - V2 type test block – TMTeck
Top Suppliers Stepped Wedge - V2 type test block – TMTeck Detail:
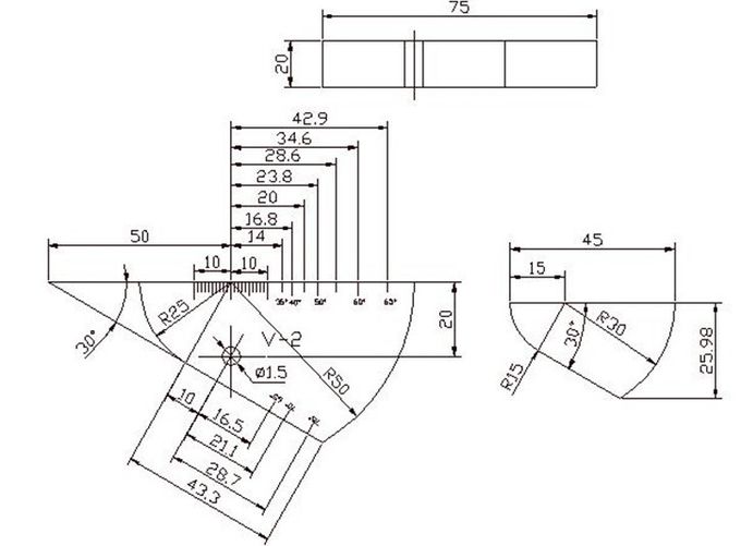
Description
Calibration block for on-site checking of miniature shear wave probe index, time base, beam angle and gain.
Includes a 25mm and 50 mm radius, 1.5mm hole (or 5mm), engraved reference mark scales from 35 to 75 degrees. In accordance with British Standard BS 2704 block A4, Fig. 4, and AS 2083.
•Width: 12.5, 20, or 25mm (select one)
•Overall Dimensions: (width) x 75mm long x 43mm tall
•material: 1018 Steel, stainless steel , aluminum
•plastic carrying case
Package including
1 calibration block
1 certificate
1 block case
Product detail pictures:
Related Product Guide:
As for aggressive costs, we believe that you will be searching far and wide for anything that can beat us. We can state with absolute certainty that for such high-quality at such rates we have been the lowest around for Top Suppliers Stepped Wedge - V2 type test block – TMTeck , The product will supply to all over the world, such as: Mozambique, New Zealand, Liverpool, With the enterprising spirit of" high efficiency, convenience, practicality and innovation", and in line with such serving guidance of "good quality but better price, " and "global credit", we are striving to cooperate with the automobile parts companies all over the world to make a win-win partnership.
We have been appreciated the Chinese manufacturing, this time also did not let us disappoint,good job!
Write your message here and send it to us








